山东达顺电子科技有限公司
地址:山东省济南市天桥区蓝翔路15号时代总部基地八区五号
手机:15589912070
电话:0531-88911185
变电站工程
模拟一次负荷法继电保护
相位检验典型作业指导书
目录
1 适用范围
2 总则
3 变电站试验前应具备的技术条件
4 安全注意事项
5 试验前准备工作
5.1 资料和图纸
5.2 试验设备及仪器仪表
5.3 设备状态
6 试验项目及方法
7 危险源辨识及控制措施
8 现场文明施工及环境保护措施
9 典型现场试验案例
9.1工程概况
9.2试验方案主要编制依据
9.3试验内容部署及人员组织
9.4一次通流加压试验作业条件及计划工期
9.5试验主要设备、工器具
9.6 试验准备、测试步骤
9.7 一次电压并列相位检查
9.8 220kV、110kV母线差动保护、线路方向保护检验
9.9 #1、#2变压器通流试验核查差动保护接线
1 适用范围
本作业指导书适用于采用ZX-8207型变电站三相一次通流加压模拟带负荷继电保护向量检测装置应用于新建变电站投运前各电压等级继电保护相位的检验工作。
2 总则
2.1 ZX-8207型变电站三相一次通流加压模拟带负荷继电保护向量检测装置应用变电站投运前各电压等级继电保护相位检验工作应遵守的基本原则。
2.2 测试单位应根据作业指导和工程实际情况,参考典型案例试验编制具体的测试方案。
2.3 测试过程中使用的仪器、仪表的准确级及技术特性应符合相关要求。
3 变电站试验前应具备的技术条件
3.1 变电站一次和二次设备安装、调试、试验工作已全部结束,验收合格;
3.2 具备完整并符合工程实际的图纸及资料;
3.3 核对保护装置的整定参数,应该与设备实际参数相符;
3.4 试验所使用的仪器、仪表齐备且有检验合格证。
4 安全注意事项
4.1 工作前应按照《国家电网公司电力安全工作规程》完成相关的组织措施和技术措施。
4.2 测试前,保护采用母线电压互感器的线路应将线路隔离开关拉开;保护采用线路电压互感器的线路应在线路一次断引,防止将试验电压、电流加到输电线路或试验线路受感应电影响。
4.3 为保证测试安全,测试过程中应保证试验用的设备外壳可靠接地,装置急停按钮功能有效、可靠。
4.4 测试前所有电流互感器二次回路应不开路、接地可靠、正确;所有电压互感器二次回路应不短路、接地可靠、正确。
4.5 测试前应确保试验接线正确、规范,正确使用绝缘工器具。
4.6 测试期间,禁止试验设备电流输出回路开路、电压输出回路短路,禁止触摸试验设备输出端子及接线。
4.7 接、拆试验线前,应对试验装置及被试验设备进行放电。
5 实验前准备工作
5.1 资料和图纸
变电站相关设计图纸,继电保护装置原理说明书及使用说明书等资料齐全。
5.2 试验设备及仪器仪表
试验设备: ZX-8207型变电站三相一次通流加压模拟带负荷继电保护向量检测装置1套(其中大电流转换试验装置1台,高电压试验转换装置1台,专用电源线4组,大电流三相输出线1组,高电压三相输出线1组,高精度高灵敏选频相位表1套),数字万用表(0.5级及以上)1块,电流钳表(1.0级及以上)1块,组合工具,接地线,安全围栏等。
5.3 设备状态
变电站所有线路出口一次侧已断引(或线路隔离开关在分位)、电压互感器一次侧已断引;断路器及隔离开关在分位,保护出口压板已断开。
6 实验项目和方法
变电站继电保护相位检验试验时,大电流转换试验装置固定放置在主变侧易于接线的位置,方便对各电压级母线通流(开关站可固定放置在输电线路中间位置某一间隔),高电压转换试验装置放在对应母线电压互感器位置,通过倒闸操作配合完成变电站所有继电保护相位的检验工作。对安装两台主变的变电站,装置变频电源宜放置在主变位置,根据变压器阻抗参数选择合适的变压器绕组为施加变频电源,通过一台主变母线串带另一台主变开关和绕组施加工频(或低频)电源,其余侧绕组在绕组开关后级合上刀闸形成一次短路电流,完成变压器差动保护相位检验。
试验顺序宜按照各电压级分别进行,对分段双母线需要利用变压器升压方式,完成一次电压并列相位检查(开口三角电压),而后进行各电压级电压线路保护、母线保护的顺序进行,最后进行变压器差动保护相位检验试验,电度表二次回路接线、断路器保护和故障录波器可随线路和变压器保护相位检验试验同时进行。
7 危险源辨识及控制措施
序号 | 危险源/环境因素识别 | 可能导致的事故 | 现有控制状态/措施 |
1 | 试验电源线绝缘强度不够造成破损漏电 | 触电人员伤害 | 1、接、拆试验电源由两人进行,一人监护、一人操作,严禁钩挂、缠绕方式接取电源; |
2 | 试验电源空气开关处未设看守人 | 可能导致人员伤害或设备损坏 | 1、试验电源空气开关处应设专人看护; 2、试验过程中,试验电源看护人应与试验人员用对讲机保持联系,做好随时切断电源的准备; |
3 | 电源短路 | 设备损坏 | 通电前认真检查,确认无短路现象。 |
4 | 试验过程中没设专人看护或看护不到位 | 非试验人员闯入试验区域被电击 | 设安全围栏,密切监视试验区域四周情况,与附近工作人员做好沟通; |
5 | 试验过程中未实行“呼唱制度” | 人员触电 | 升压前大声呼唱,做到“沟通即时、声音洪亮、语句清楚”; |
6 | 试验引线与试验人员安全距离不够 | 人员触电 | 试验引线与人保持足够的安全距离; |
7 | 试验引线与接地体距离不够造成放电 | 损坏试验仪器 | 试验引线尽可能的短并与接地体保持足够的安全距离; |
8 | 更换接线时试验仪器没有切断电源 | 造成人员触电 | 更换接线时切断仪器电源并有明显断开点; |
9 | 电流二次回路开路 | 开关CT烧坏 | 一次通流流试验前,应完成电流回路的检查工作,确保电流回路不开路; |
8 现场文明施工及环境保护措施
(1) 试验现场应进行安全围护,与试验无关人员不得进入施工现场,现场试验时应有专人进行安全监护。
(2)严格遵守劳动纪律,坚守岗位,尽职尽责,做好本职工作。
(3)施工用的仪器仪表摆放整齐,做到卫生清洁,专人保管。
(4)施工中注意做到“工完料净场地清”,每天施工面的施工废料和垃圾下班前及时清理,保持施工现场的整洁。
(5)试验过程中,做好成品保护。不破坏二次接线工艺,拆掉的接线、划开连片,要及时回复,不要遗漏;保护好各种封盖、防水胶圈。
(6)及时将试验完毕的设备添加警示标识或加锁,防止电源、机构、联锁杆操作不当造成损坏,防止重要接线被其他班组误动。
(7)试验完毕的带电部分增加警示标识防止触电伤人。
9 典型现场试验案例
220kV智能变电站三相一次通流加压模拟带负荷试验方案
9.1工程概况
220kV变电站工程验收工作已基本结束,近期准备正式启动送电投运,传统的保护装置向量检查工作是在新设备投运前,需要调整运行方式,利用运行的断路器进行串代,加装临时保护,计算临时保护定值,一次设备必须有满足保护装置向量检查的最小负荷。存在倒闸操作多,投运方案复杂,负荷安排困难,工作量大,投运时间长,安全性低等问题。本次利用ZX-8207型变电站三相一次通流加压模拟带负荷继电保护向量检测装置进行现场对一次母线通流/加压试验,装置采用同步触发技术控制设备输出的电压、电流幅值及相位,模拟线路、变压器的实际负荷,利用在电压互感器一次侧加电压,电流互感器一次侧加电流的方法,在投产前完成变电站内所有继电保护装置向量的检查。主要检查电压互感器并列相位、母线差动保护、线路方向保护、变压器差动保护、测控装置、计量装置、故障录波装置等二次设备的向量正确性。
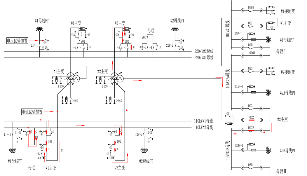
9.1.1 变电站一次设备平面布置图

图 变电站平面布置图
9.1.2 站内一次设备接线图
(见下图)
9.1.3 变电站一次主设备参数
(1)安装主变2台,型号:SSZ11-180MVA/220kV;容量比:180MVA/180MVA/90MVA;电压比230±8*1.25%/115/10.5kV;接线组别:Ynyn0d11;
(2)#1主变短路阻抗:ZH-M=40.67Ω ZH-L=154.1Ω ZH-M=27.45Ω
%H-M=13.84% %H-L=52.44% %H-M=37.36%
#2主变短路阻抗:ZH-M=40.85Ω ZH-L=153.6Ω ZH-M=27.32Ω
%H-M=13.90% %H-L=52.28% %H-M=37.19%
(3)一次系统母线、开关、CT、PT参数
3.1)220kV电压级双母线:CT变比=1600/5;PT变比=220/0.1/0.1√3;
211、212待用线路间隔(远期规划)2回;
213、214、215、216线路间隔4回;
203#3主变待用间隔(远期规划)1回;
21-P-1#1母线PT;22P-2#2母线PT;
#1与#2母线母联开关200双母线单分断运行;
#1主变开关201; #2主变开关202;
3.2)110kV电压级双母线:CT变比=2000/5;PT变比=110/0.1/0.1√3;
111、112、113、114、115、116、117、118线路间隔8回;
119、120、121、122待用线路间隔(远期规划)4回;
11-P-1#1母线PT; 12P-2#2母线PT;
#1与#2母线母联开关200双母线单分断运行;
#1主变开关101; #2主变开关102;
3.3)10kV电压级母线:出线三条,CT变比=4000/5;PT变比=10/0.1;
10kV#2A母线(带#1、#2、#3、#4电容器、#1接地变、#1母线PT);
10kV#2A母线(带#5、#6电容器、#2接地变、#2A母线PT);
10kV#2B母线(带#2B母线PT、 #7、#8电容器);
9.2试验方案主要编制依据
序号 | 名 称 | 备 注 |
1 | 施工现场临时用电安全技术规范 | JGJ46-2005 |
2 | 建筑施工现场环境与卫生标准 | JGJ146-2004 |
3 | 电力建设安全工作规程 第3部分:变电站 | DL5009.3-2013 |
4 | 国家电网公司电力安全工作规程(电网建设部分) (试行) | 国家电网安质(2016)212号(Q/GDW 11145—2014) |
5 | 《智能变电站二次系统标准化现场调试规范》 | (Q/GDW11145—014) |
6 | 《智能变电站继电保护技术规范》 | (Q/GDW441-2010) |
7 | 《继电保护和安全自动装置技术规程》 | (GB/T14285-2006) |
8 | 《继电保护和安全自动装置运行管理规程》 | (DL/T587-2016) |
9 | 《继电保护和电网安全自动装置检验规程标准》 | (DLT995-2006) |
10 | 《继电保护和电网安全自动装置现场工作保安规定》 | (Q/GDW267-2009) |
11 | 《220kV~750kV 电网继电保护装置运行整定规程》 | (DL/T559-2007) |
12 | 《电力系统继电保护及安全自动装置反事故措施要点》 | (电安生〔1994〕191号) |
13 | 《线路保护及辅助装置标准化设计规范》 | (Q/GDW1161-2014) |
14 | 《变压器、高压并联电抗器和母线保护及辅助装置标准化设计规范》 | (Q/GDW 1175-2013) |
15 | 《国家电网继电保护整定计算技术规范》 | (Q/GDW422-2010) |
16 | 《10kV~110(66)kV 线路保护及辅助装置标准化设计规范》 | (Q/GDW10766-2015) |
17 | 《10kV~110(66)kV 元件保护及辅助装置标准化设计规范》 | (Q/GDW 10767-2015) |
18 | 《智能变电站保护设备在线监视与诊断技术规范》 | (Q/GDW11361-2014) |
19 | 《电流互感器和电压互感器选择及计算规程》 | (DL/T866-2015) |
20 | 《互感器第2部分:电流互感器的补充技术要求》 | (GB20840.2-2014) |
21 | 《国家电网公司十八项电网重大反事故措施》 | 国家电网设备〔2018〕979号 |
22 | 厂家技术资料厂家图纸、安装作业指导书、使用说明书、出厂试验报告等出厂资料 | |
23 | 本工程图纸会审记录 | |
24 | 已会审的电气二次施工图纸 |
9.3试验内容部署及人员组织
(1)试验内容
工作内容:全站一次通压试验、一次通流试验。
施工工期:20xx年xx月xx日-20xx年xx月xx日。
(2)人员组织
序号 | 姓名 | 职务 | 职责 |
1 | XXX | 项目经理 | 负责现场整体协调所有问题,并对现场安全负总责 |
2 | XXX | 项目总工 | 负责技术管理工作,负责落实业主、监理项目部对工程技术方面的有关要求,组织技术交底。 |
3 | XXX | 安全员 | 负责试验过程中的安全文明施工和管理工作。 |
4 | XXX | 质检员 | 负责质量控制和管理工作。 |
5 | XXX | 工作负责人 | 负责施工现场的统一指挥 |
(3)人员分工:
试验组:XXX、XXX、XXX、XXX
操作组:XXX、XXX、XXX、XXX
测量组:XXX、XXX、XXX、XXX
9.4一次通流加压试验作业条件
(1)施工作业条件
1) 全站单体调试已经完成,分系统调试完成,对时、故障录波、网络报文分析、交直流系统、监控系统等其他系统调试已经完成。
2) 参加试验人员应经安全教育并考试合格;试验前试验负责人应向全体人员进行技术交底,使全体试验人员熟悉试验过程中的安全防范要求并严格按照安全规程及安全施工措施的要求进行试验。
3) 试验装置的电源开关应使用明显断开的双极开关并加装过载自动跳闸装置;试验装置的外壳应可靠接地;试验接线完成后应由非接线人员检查确认后方可进行试验。
4) 试验时应严格按照操作步骤进行操作,出现任何异常时应立即断开工作电源。雷雨、六级以上大风天气及空气湿度80%以上不得进行试验工作。
(2)保证措施
1) 提前编写试验方案并报送公司和监理审核,试验方案审核完毕后进行安全和技术交底。
2) 试验前确定单体调试、分系统调试、其他系统调试已经完成,并且不能有影响试验进行的缺陷(刀闸无法分合等情况)。试验开始前检查设备和工器具,确保性能良好。
3) 合理安排试验时间,试验时全站不应有其他专业施工。
4) 试验时设专人指挥协调,确保试验项目有序进行。
(3)计划工期
编号 | 试验项目 | 时间 |
1 | 全站母线一次通压试验 | 20XX.XX.XX上午 |
2 | 220kV母线/间隔通流试验 110 kV母线/间隔通流试验 10 kV母线/间隔通流试验 | 20XX.XX.XX下午~20XX.XX.XX上午 |
3 | #1、#2变压器通流试验 核查差动保护接线 | 20XX.XX.XX下午 |
9.6 试验主要设备、工器具
| 序号 | 名称 | 数量 | 备注 |
1 | 检测装置变频电源 | 1台 | 380V/50A +5A频率1~50Hz |
2 | 三相电源输入线 | 1盘 | 3*10 mm2 50米 |
3 | 三相工频大电流转换装置 | 1台 | 3*300A |
4 | 三相大电流装置输入线 | 1盘 | 3*10 mm2 100米 |
5 | 三相大电流试验导线黄、绿、红 | 1组 | 3*95mm2 15米 |
6 | 三相工频高电压转换装置 | 1台 | 3*10kV |
7 | 三相升压装置输入线 | 1盘 | 3*2.5 mm2 100米 |
8 | 高压硅胶测试导线黄、绿、红 | 1组 | 3*2mm2 15米(2米) |
9 | 无线选频相位伏安测试装置 | 1套 | 一主机+3分机 |
10 | 无线对讲机 | 2对 | 通讯用 |
11 | 数字万用表 | 1块 | |
12 | 常用电工工具等附件 | 2套 | |
13 | 安全围栏 | 1套 | |
14 | 短路接地线 | 1组 |
9.7 试验准备、测试步骤
(1) 试验准备
根据对变电站现场踏勘,站内检修电源箱开关容量(空开80A/3P)可满足装置供电要求,现场安装主变两台,220kV、110kV双母线单分断,10kV三母线单分断。为减少试验接线操作,本次试验充分利用220kV、110kV母联开关和10kV联络开关的操作实现各通流和加压回路间隔的投切。
(2) 测试步骤
1) 全站母线一次通压试验
通过#1主变10kV低压侧套管对变压器低压侧励磁,在变压器230kV、115kV感应出一次电压,将220kV、110kV母联开关合上,完成母线一次电压并列相位检查。
2)220kV、110 kV、10 kV母线/间隔通流试验
在#1主变220kV、110kV侧套管分别接入三相工频大电流,通过#1主变开关201将220kV母联开关及需检测的回路间隔投入试验回路,在21-P-1#1母线220kV PT处接入高电压,通过倒闸操作配合完成220kV线路保护、母线保护相位的检验;
通过#1主变开关101将110kV母联开关及需检测的回路间隔投入试验回路,在11-P-1#1母线110kV PT处接入高电压,通过倒闸操作配合完成110kV线路保护、母线保护检验。
3)#1、#2变压器通流试验核查差动保护接线
根据变压器阻抗参数计算,本次选择变压器110侧绕组为施加变频电源侧,通过一台主变母线通过110kV母线串带另一台主变开关对115kV侧绕组施加工频(或低频)电源,其余侧绕组在主变开关后级合上刀闸形成短路电流,完成变压器差动保护相位检验。
9.8 一次电压并列相位检查
220kV、110kV、10kV母线一次电压并列相位检查(含开口三角电压,10kV#1接地变接线组别):
装置变频电源三相电源输出接入#1主变低压侧套管,通过对变压器低压侧励磁后,三相相序为正序,分别在变压器各侧感应出一次电压:
10kV母线:
一次电压=380V,接地变低压侧电压及PT二次电压=14.47V;
110kV母线:
变压器变比K=115/10.5=10.95 PT变比=110/0.1/0.1√3
PT一次电压=0.380×10.95=4.160kV
PT二次线电压=4160/1100=3.782V
PT一次相电压=0.380×10.95/1.732=2.400kV
PT二次相电压=4160/1100/1.732=2.183V
220kV母线:
变压器变比K=230/10.5=21.9 PT变比=220/0.1/0.1√3
PT一次电压=0.380×21.9=8.322kV
PT二次线电压=8322/2200=3.782V
PT一次相电压=0.380×21.9/1.732=4.804V
PT二次相电压=8322/2200/1.732=2.183V
通过测量各母线侧PT二次电压值,验证电压互感器二次回路接线、变比、验证各保护装置电压采样幅值、相位的正确性,验证电压并列功能的正确性。
(1)试验电流估算
根据变压器额定空载电流0.1%,考虑高压、中压母线电容量和PT电容量、10kVPT、接地变低压空载等,预估变压器低压侧励磁电流约在0.500A左右。
(2) 试验准备
检查全站刀闸、断路器均在分闸位置,合上220kV、110kV、10kV母联开关将各侧母线PT接入,通过对#1主变低压侧励磁,在高压侧、中压侧、接地变低压侧感应出电压,进行一次电压并列相别对应关系检验,对PT开口三角电压检验时需任一切断三相输入电源一相即可完成。加压路径见图1

图1
(3)技术措施
1)将#1主变低压侧001开关合上、0192、1#母线PT 01P-1手车摇至工作位置;将010、0101分段Ⅰ手车、023、#2A母线PT 02AP-1手车摇至工作位置;将0021、0022、2B#母线PT 02BP-1手车摇至工作位置。可以直接测量10kV#1母线、#2A母线、#2B母线PT保护、计量、开口三角电压及各个间隔的采样,#1、#2接地变低压侧电压高压侧电压相位。
2)将#1主变110kV侧主变开关101-3、101、101-1、11P-1#1母线PT刀闸合上;再将110kV母联开关100-1、100、100-2、12P-2#2母线PT刀闸合上。可以直接测量110kV#1母线#2母线PT保护、计量、开口三角电压。
3)将#1主变220kV侧主变开关201-3、201、201-1、21P-1#1母线刀闸;合200-1、200、200-2、22P-1#2母线PT刀闸。可以直接测220kV#1、#2母线PT保护、计量、开口三角电压。
备注:为节约后续试验准备工作,缩短测试时间,通压测试结束后即可安排进行PT与母线断开工作,临时拆除220kV#1母线PT 21P-1-D1、110kV#1母线PT 11P-1-D1方便线路方向保护检查时接入一次高电压(10kV)。
(4)一次通压记录表
母线一次线电压 | UAB(V) | UBC(V) | UCA(V) | |
10.5kV PT=10/0.1 | 10kV#1母线 | 380 | 380 | 380 |
10kV#2A母线 | 380 | 380 | 380 | |
10kV#2B母线 | 380 | 380 | 380 | |
#1接地变 | 380 | 380 | 380 | |
#2接地变 | 380 | 380 | 380 | |
110kV PT=110/0.1 | 110kV#1母线 | 4160 | 4160 | 4160 |
110kV#2母线 | 4160 | 4160 | 4160 | |
220kV PT=220/0.1 | 220kV#1母线 | 8322 | 8322 | 8322 |
220kV#2母线 | 8322 | 8322 | 8322 | |
母线一次相电压 | UA(V) | UB(V) | UC(V) | |
110kV PT=110/0.1/√3 | 110kV#1母线 | 2400 | 2400 | 2400 |
相位(°) | 0.0 | 240.0 | 120.0 | |
110kV#2母线 | 2400 | 2400 | 2400 | |
相位(°) | 0.0 | 240.0 | 120.0 | |
220kV PT=220/0.1/√3 | 220kV#1母线 | 4804 | 4804 | 4804 |
相位(°) | 0.0 | 240.0 | 120.0 | |
220kV#2母线 | 4804 | 4804 | 4804 | |
相位(°) | 0.0 | 240.0 | 120.0 | |
(5)二次电压记录表
装置二次电压显示(测量值) | Uab(V) | Ubc(V) | Uca(V) | 开口三角U0 | ||
10kV | #1母线PT | 显示电压值 | ||||
相 位 | ||||||
电度表电压值 | / | |||||
相 位 | ||||||
#1接地变 | 接地变低压侧 | / | ||||
相 位 | ||||||
#2A母线PT | 显示电压值 | |||||
相位 | ||||||
电度表电压值 | / | |||||
相 位 | ||||||
#2接地变 | 接地变低压侧 | / | ||||
相 位 | ||||||
#2B母线PT | 显示电压值 | |||||
相位 | ||||||
装置二次电压显示(测量值) | Ua(V) | Ub(V) | Uc(V) | 开口三角U0 | ||
110kV | #1母线PT 智能汇控柜 | 显示电压值 | ||||
相位 | / | |||||
#2母线PT 智能汇控柜 | 显示电压值 | |||||
相位 | ||||||
220kV | #1母线PT 智能汇控柜 | 显示电压值 | ||||
相位 | ||||||
#2母线PT 智能汇控柜 | 显示电压值 | |||||
相位 | ||||||
9.9 220kV、110kV母线差动保护、线路方向保护检验
(1)试验准备
检查全站刀闸、断路器均在分闸位置;检查全站CT二次回路,禁止CT二次回路开路。
(2)接线位置及顺序
装置工频高压转换装置输出的三相电压10kV由#1PT间隔21P-D1接地连接排处接入;在#1主变高压侧套管接线处对220kV侧#1母线三相通流,按照对应检测回路关系操作开关分合及接地刀闸,完成220kV母线差动、线路保护检验;测试完毕倒换主变开关对#2母线三相通流验证任一间隔即可。
装置工频高压转换装置输出的三相电压10kV由#1PT间隔11P-D1接地连接排处接入;在#1主变中压侧套管接线处对110kV侧#1母线三相通流,按照对应检测回路关系操作开关分合及接地刀闸,完成110kV母线差动、线路保护检验;测试完毕倒换主变开关对#2母线三相通流验证任一间隔即可。
(3)试验电流估算
220kV侧母线:
开关CT变比1600/5,为方便读数和测量,预加一次电流160A,二次侧0.500A,对应母联与各间隔回路通流检验时,对施加的三相高压电压与三相大电流移相输出,一次就可检验出母线差动保护和线路保护。
110kV侧母线:
开关CT变比2000/5,为方便读数和测量,预加一次电流200A,二次侧0.500A,对应母联与各间隔回路通流检验时,对施加的三相高压电压与三相大电流移相输出,一次就可检验出母线差动保护和线路保护。
10kV侧母线:
开关CT变比4000/5,为方便读数和测量,预加一次电流200A,二次侧0.250A,对应母联与各间隔回路通流检验时,施加的与三相大电流,一次就可检验出母线差动保护。
备注:为节约后续试验准备工作,缩短测试时间,对母线三相大电流通流时改换测试间隔时可不必中断输出(设备选择具有三相电流平衡自动调整模式,完全保证在母线线路阻抗不平衡状态下装置输出的三相电流幅值平衡及相位互差120°),该间隔检验结束后即可将另一间隔接地刀闸合上,然后再拉开已检验过的接地刀闸间隔回路,电流输出控制选择“电流平衡模式输出”即可。
(4)220kV母线各间隔通流参考相位
以220kV #1母线PT 的A相为参考相位基准,将220kV#1PT间隔21P-D1接地连接排拆除接入高压电压(10kV),拉开21P-1刀闸(注意检查与母线开关处在分断位,临时拆除母线PT处的-1D接地联片,将#1母线PT智能汇控柜中的电压并列把手置于强制Ⅰ);
通过#1主变高压侧220kV套管处对母线三相通流(160A),按照对应检测回路关系操作开关分合及接地刀闸,完成母线差动、线路保护检验;
检查4回220kV线路进线侧接地刀闸D3接地可靠,防止向线路送电。
4.1)201-#1母线-200母联开关-#2母线-213线路间隔
将201-3、201、201-1、200-1、200、200-2、213-2、213开关合上, 213-D2接地刀闸合上,测试电流经过主变开关-#1母线-母联开关-#2母线-213线路间隔。通流加压路径如图2

图2
测量2套母差保护屏中201、200、213母差保护,测量213间隔线路保护方向,包括后台监控机测量值等;测量完成后将213间隔一次设备恢复到初始状态。
备注:为节约后续试验工作,缩短测试时间,通流时改换测试间隔时可不必中断输出,先合上214间隔开关,然后再将213间隔一次设备恢复到初始状态。以下间隔雷同
4.2)201-#1母线-200母联开关-#2母线-214线路间隔
将201-3、201、201-1、200-1、200、200-2开关合位状态不变,合上214-2、214、214-D2接地刀闸,测试电流经过主变开关-#1母线-母联开关-#2母线-214线路间隔。通流加压路径图略
测量2套母差保护屏中201、200、214母差保护,测量214间隔线路保护方向,包括后台监控机测量值等;测量完成后将213间隔一次设备恢复到初始状态。
4.3)201-#1母线-200母联开关-#2母线-202#2主变开关间隔
将201-3、201、201-1、200-1、200、200-2开关合位状态不变,合上202-2、202、202-D2接地刀闸,测试电流经过主变开关-#1母线-母联开关-#2母线-202#2主变间隔。通流加压路径图略
测量2套母差保护屏中201、200、202母差保护,包括后台监控机测量值等;测量完成后将202间隔一次设备恢复到初始状态。
4.4)201-#1母线-200母联开关-#2母线- 215线路间隔
将201-3、201、201-1、200-1、200、200-2开关合位状态不变,合上215-2、215、215-D2接地刀闸,测试电流经过主变开关-#1母线-母联开关-#2母线-215线路间隔。通流加压路径图略
测量2套母差保护屏中201、200、215母差保护,包括后台监控机测量值等;测量完成后将215间隔一次设备恢复到初始状态。
4.5)201-#1母线-200母联开关-#2母线- 216线路间隔
将201-3、201、201-1、200-1、200、200-2开关合位状态不变,合上216-2、216、216-D2接地刀闸,测试电流经过主变开关-#1母线-母联开关-#2母线-216线路间隔。通流加压路径图略
测量2套母差保护屏中201、200、216母差保护,测量216间隔线路保护方向,包括后台监控机测量值等;测量完成后将216间隔一次设备恢复到初始状态。
4.6)201-#2母线-200母联开关-#1母线- 216线路间隔(复验一次)
将201-3、201、201-2、200-2、200、200-1开关合位,合上216-1、216、216-D2接地刀闸,测试电流经过主变开关-#2母线-母联开关-#1母线-216线路间隔。通流加压路径如图3

图3
验证2套母差保护屏中201、200、216母差保护,测量216间隔线路保护方向,包括后台监控机测量值等;测量完成后将216间隔一次设备恢复到初始状态。
4.7)220kV通流试验记录表
母线差动保护 向量检查 | 电流变比(1600/5) | ||||||
第一套保护 | 第二套保护 | ||||||
一次 | 通道 | Ia | Ib | Ic | Ia | Ib | Ic |
幅值(A) | |||||||
相位(°) | |||||||
二次 | 通道 | ||||||
幅值(A) | |||||||
相位(°) | |||||||
线路保护 向量检查 | |||||||
电流变比(1600/5) | 电压变比(220/0.1√3) | ||||||
一次 | 通道 | Ia | Ib | Ic | Ua | Ub | Uc |
幅值(A/V) | |||||||
相位(°) | |||||||
二次 | 通道 | Ia | Ib | Ic | Ua | Ub | Uc |
幅值(A/V) | |||||||
相位(°) | |||||||
注:模拟线路带阻感性负荷检查 | |||||||
(5)110kV母线各间隔通流参考相位
以110kV #1母线PT 的A相为参考相位基准(也可以220kV #1母线PT 的A相为参考相位基准),将110kV#1PT间隔21P-D1接地连接排拆除接入高压电压(10kV),拉开21P-1刀闸(注意检查与母线开关处在分断位,临时拆除母线PT处的-1D接地联片,将#1母线PT智能汇控柜中的电压并列把手置于强制Ⅰ);
通过#1主变高压侧110kV套管处对母线三相通流(200A),按照对应检测回路关系操作开关分合及接地刀闸,完成母线差动、线路保护检验;
检查8回110kV线路进线侧接地刀闸D3接地可靠,防止向线路送电。
对110kV母线一次预加电压估算:110kV PT一次侧(PT变比110kV/√3/0.1kV√3,二次电压5.25V)。
5.1)101--#1母线-100母联开关-#2母线-111线路间隔
将101-3、101、101-1、100-1、100、100-2、111-2、111开关合上,
合上111-D2接地刀闸,测试电流经过主变开关-#1母线-母联开关-#2母线-111线路间隔。通流加压路径如图4

图4
测量2套母差保护屏中101、100、111母差保护,包括后台监控机测量值等;测量完成后将111间隔一次设备恢复到初始状态。
备注:为节约后续试验工作,缩短测试时间,通流时改换测试间隔时可不必中断输出,先合上112间隔开关,然后再将111间隔一次设备恢复到初始状态。以下间隔雷同
5.2)101--#1母线-100母联开关-#2母线-112线路间隔
将101-3、101、101-1、100-1、100、100-2开关合位状态不变,合上112-2、112、112-D2接地刀闸,测试电流经过主变开关-#1母线-母联开关-#2母线-112线路间隔。通流加压路径图略
测量2套母差保护屏中101、100、112母差保护,测量112间隔线路保护方向,包括后台监控机测量值等;测量完成后将112间隔一次设备恢复到初始状态。
5.3)101--#1母线-100母联开关-#2母线-113线路间隔
将101-3、101、101-1、100-1、100、100-2开关合位状态不变,合上113-2、113、113-D2接地刀闸,测试电流经过主变开关-#1母线-母联开关-#2母线-113线路间隔。通流加压路径图略
测量2套母差保护屏中101、100、113母差保护,测量113间隔线路保护方向,包括后台监控机测量值等;测量完成后将113间隔一次设备恢复到初始状态。
5.4)101--#1母线-100母联开关-#2母线-114线路间隔
将101-3、101、101-1、100-1、100、100-2开关合位状态不变,合上114-2、114、114-D2接地刀闸,测试电流经过主变开关-#1母线-母联开关-#2母线-114线路间隔。通流加压路径图略
测量2套母差保护屏中101、100、114母差保护,测量114间隔线路保护方向,包括后台监控机测量值等;测量完成后将114间隔一次设备恢复到初始状态。
5.5)101--#1母线-100母联开关-#2母线-115线路间隔
将101-3、101、101-1、100-1、100、100-2开关合位状态不变,合上115-2、115、115-D2接地刀闸,测试电流经过主变开关-#1母线-母联开关-#2母线-115线路间隔。通流加压路径图略
测量2套母差保护屏中101、100、115母差保护,测量115间隔线路保护方向,包括后台监控机测量值等;测量完成后将115间隔一次设备恢复到初始状态。
5.6)101--#1母线-100母联开关-#2母线-116线路间隔
将101-3、101、101-1、100-1、100、100-2开关合位状态不变,合上116-2、116、116-D2接地刀闸,测试电流经过主变开关-#1母线-母联开关-#2母线-116线路间隔。通流加压路径图略
测量2套母差保护屏中101、100、116母差保护,测量116间隔线路保护方向,包括后台监控机测量值等;测量完成后将116间隔一次设备恢复到初始状态。
5.7)101--#1母线-100母联开关-#2母线-117线路间隔
将101-3、101、101-1、100-1、100、100-2开关合位状态不变,合上117-2、117、117-D2接地刀闸,测试电流经过主变开关-#1母线-母联开关-#2母线-117线路间隔。通流加压路径图略
测量2套母差保护屏中101、100、117母差保护,测量117间隔线路保护方向,包括后台监控机测量值等;测量完成后将117间隔一次设备恢复到初始状态。
5.8)101--#1母线-100母联开关-#2母线-118线路间隔
将101-3、101、101-1、100-1、100、100-2开关合位状态不变,合上118-2、118、118-D2接地刀闸,测试电流经过主变开关-#1母线-母联开关-#2母线-118线路间隔。通流加压路径图略
测量2套母差保护屏中101、100、118母差保护,测量118间隔线路保护方向,包括后台监控机测量值等;测量完成后将118间隔一次设备恢复到初始状态
5.9)101-#2母线-100母联开关-#1母线- 118线路间隔(复验一次)
将101-3、101、101-2、100-2、100、100-1开关合位,合上118-1、118、118-D2接地刀闸,测试电流经过主变开关-#2母线-母联开关-#1母线-118线路间隔。通流加压路径如图5

图5
验证2套母差保护屏中201、200、216母差保护,测量216间隔线路保护方向,包括后台监控机测量值等;测量完成后将216间隔一次设备恢复到初始状态。
5.10)110kV通流试验记录表
母线差动保护 向量检查 | 电流变比(2000/5) | ||||||
第一套保护 | 第二套保护 | ||||||
一次 | 通道 | Ia | Ib | Ic | Ia | Ib | Ic |
幅值(A) | |||||||
相位(°) | |||||||
二次 | 通道 | ||||||
幅值(A) | |||||||
相位(°) | |||||||
线路保护 向量检查 | |||||||
电流变比(1600/5) | 电压变比(220/0.1√3) | ||||||
一次 | 通道 | Ia | Ib | Ic | Ua | Ub | Uc |
幅值(A/V) | |||||||
相位(°) | |||||||
二次 | 通道 | Ia | Ib | Ic | Ua | Ub | Uc |
幅值(A/V) | |||||||
相位(°) | |||||||
注:模拟线路带阻感性负荷检查 | |||||||
9.10 #1、#2变压器通流试验核查差动保护接线
1)试验准备
为方便现场接线,根据变压器阻抗参数计算,本次选择变压器110kV侧绕组为施加变频电源侧,完成#1和#2主变差动保护接线校验。
1.1)在#1主变中压115kV侧套管处经主变开关-110kV#1母线-母联-#2主变开关施加三相工频(或低频)电源,对#2主变差动保护接线检验,利用变压器短路阻抗在#2主变220kV侧和10kV侧绕组在主变开关后级合上接地刀闸形成短路电流,进行变压器电流差动保护回路检查,通过二次电流六角向量图核定接线组别完成检验。
1.2)在#2主变中压115kV侧套管处经主变开关-110kV#2母线-母联-#1主变开关施加三相工频(或低频)电源,对#1主变差动保护接线检验,利用变压器短路阻抗在#1主变220kV侧和10kV侧绕组在主变开关后级合上接地刀闸形成短路电流,进行变压器电流差动保护回路检查,通过二次电流六角向量图核定接线组别完成检验。
1.3)注:为方便也可利用工频电压转换装置同时对220#1PT施加10kV电压,以Ua为参考相位基准绘制六角向量图。 PT变比220kV/√3/0.1kV√3),二次相电压约2.62V。
2)变压器阻抗参数计算
#1主变与#2主变短路阻抗差别较小,故以#1主变参数计算。
根据#1主变短路阻抗参数计算出阻抗欧姆值:
ZH-M=40.85Ω ZH-L=153.65Ω ZM-L=27.32Ω
因本次由中压侧加压,故换算中压侧对高压侧等效阻抗:
ZM-H=40.85/(230/115)2≈10.21
高压侧和低压侧短路后并联等效阻抗:
ZM-H∥L=10.21*27.32/(10.21+27.32)≈7.43Ω
由中压侧施加380V电压后在中压侧一次电流
IM1=380/1.732/7.43≈29.5A
分配在高、低压侧电流:
IH1=IM1×ZM-H∥L/ZM-H =29.5×7.43/10.21≈21.46A
IL1=IM1×ZM-H∥L/ZL =29.5×7.43/27.32≈8.02A
折算到高、低压侧产生的一次短路电流:
IH1=IM1×UM/UM=21.46×115/230≈10.73A
IL1=IM1×UM/UL=8.02×115/10.5≈87.84A
中、高、低压侧产生的二次电流分别为
IM2=29.5×5/2000≈0.074A
IH2=10.73×5/1600≈0.033A
IL2=87.84×5/4000≈0.109A
保护显示屏及测量装置显示分辨率完全可满足读数及测量。
3)#2主变三侧通流(由#1主变开关-110kV#1母线-母联-#2主变开关)
将101-3、101、101-1、100-1、100、100-2、102-2、102、102-3开关合上,由#1主变110kV侧对#2主变施加试验电流;将#2主变220kV侧202-3、202开关合上,202-D1接地刀闸合上,在220kV侧主变开关202进线侧形成短路接地;将#2主变10kV侧002手车推至工作位置,合上002开关,在0022出线侧使用短路线短路接地,在#2主变10kV 002开关出线侧形成短路接地。通流加压路径如图6

图6
以220kV #1母线PT A相为参考相位基准,测量#2变差动保护方向,绘制六角向量图,测量完成将上述一次设备恢复到初始状态。
4)#1主变差动保护(由#2主变开关-110kV#2母线-母联-#1主变开关)
将102-3、102、102-2、100-2、100、100-1、101-1、101、102-3开关合上,由#2主变110kV侧对#1主变施加试验电流;将#1主变220kV侧201-3、201开关合上,201-D1刀闸合上,在220kV侧主变开关201进线侧形成短路接地;将#1主变10kV侧001手车推至工作位置,合上001开关,在0193或0194出线侧使用短路线短路接地,在#1主变10kV 001开关出线侧形成短路接地。(也可利用#2差动试验的短路点,但注意要将010、0101、0021、0022手车同时推至工作位)通流加压路径如图7

图7
仍以220kV#母线PT A相为参考相位基准,测量#1变差动保护方向,绘制六角向量图,测量完成将上述一次设备恢复到初始状态。
5)变压器差动保护检验记录表